
INCH-POUND
MIL-DTL-85667/12A
1 September 2004
SUPERSEDING
MIL-B-85667/12
28 January 1991
DETAIL SPECIFICATION SHEET
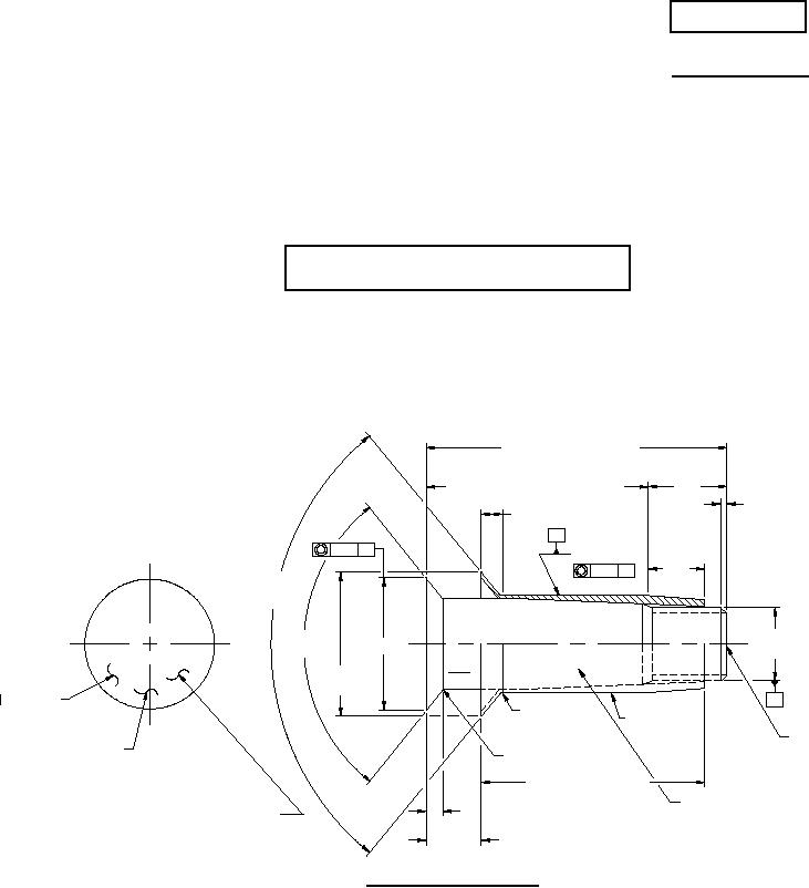
BOLT, SLEEVE, 100° TENSION, FLUSH HEAD, STRAIGHT SHANK,
CRES 304 SLEEVE, TITANIUM ALLOY PIN, 95 KSI Fsu, 160 KSI Ftu
Inactive for new design after 4 April 1998.
This specification is approved for use by all
Departments and Agencies of the Department of Defense.
The requirements for acquiring the product described herein shall consist of this specification sheet and
MIL-B-85667.
+.015
(a)
LENGTH -.010
UNTHREADED +.005 (a) (e)
T
PIN LENGTH
-.010
REF
(e)
CHAMFER 45°
H REF (e)
TO APPROX.
(c)
DEPTH OF
E
ØG E
THREAD
ØD (d)
(e)
P
ØJ F
101°
REF
99°
THREAD
103°
ØA
DIA. (b)
102°
X OR Y
PIN
ØB
REF (e)
MILITARY
+.010
F PITCH DIAMETER
R -.000
PART NUMBER
SLEEVE
STAMP GRIP
+.000
MANUFACTURER'S
DASH NO.
R -.010
IDENTIFICATION
HERE
+.010 (a)
BOLT
DESIGN -.005
INK STAMP OVERSIZE
GRIP
H
LOT TRACEABILITY IDENTIFICATION SYMBOL
BOLT DESIGNATION
(SYMBOL USED IS THE MANUFACTURER'S
P
WHEN APPLICABLE
OPTION)
REF (f)
FIGURE 1. Tension flush head bolt.
(a) Grip lengths are available in .0625 increments.
(b) Threads shall be in accordance with AS8879. Thread major diameter (T.D.) shall be in
accordance with Table I.
(c) 1. For sizes .190 thru .375, dimension "∅G" shall be .008 FIM.
2. For sizes .437 thru .625, .012 FIM.
3. For sizes .750, .020 FIM.
(d) 1. For sizes .190 thru .375, dimension "∅J" shall be .006 FIM.
2. For sizes .437 thru .750, .010 FIM.
(e) Reference dimensions are for design purposes only and are not an inspection or manufacturing
requirement.
(f) Protrusion will vary according to taper to provide expansion as given in Table I.
AMSC N/A
1 of 8
5306